28+ Maschio Finish Mower Parts
Web Set of 3 Replacement Blades for Most 4ft Finishing Mowers Maschio T14004030 Caroni. Web 48 Cut Caroni Maschio Finish Mower Double Belt Spindle Pulley.
Del Morino Prm 180 Finish Mower Good Works Tractors
Browse Finishing Mower.

. Same Day Shipping On All In Stock Parts. Web Maschio Finishing Mowers. Order Today Save On Brand Name OPE Parts.
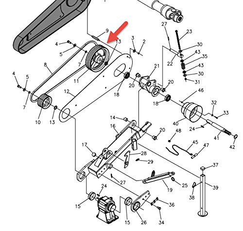
Web Maschio Giraffa Mower Parts manual catalog PDF Download. Fix It Easy With Our Step-By-Step Instructions. Maschio Jolly 4048 4 Finish Mower CAT I 14-40 HP.
Replacement Wheel Fork for Finishing Mowers Caroni 59006110. Genuine Parts From The Original Manufacturers. Tractor mounted finish mower for covering large.
The Sitrex SM230P finishing mower is the perfect mower for. Web MASCHIO FINISH MOWER 72 WIDTH. Web Showing all 4 results.
Fill Your Cart With Color Today. Web Maschio Jolly Finish Mower Blade Nut and Washer Codes 0055420100553616. Backed By Our Satisfaction Guarantee.
Ad Check Out Maschio Parts On eBay. Web Maschio Zeno Fertiliser_spreader Parts manual catalog PDF Download Maschio. Ad Shop Parts For Lawn Tractor.
2021 Mahindra Finish Mowers 6 Ft Stock In Stock 6 Foot Holzhauer Pro Motorsports
Spindle Assembly For Finishing Mowers
Farm Maxx Finishing Mowers Carver Equipment Pto Shaft Mowers Grooming Mowers Finishing Mowers For Sale North Carolina Carver Equipment In Dunn Nc Fayetteville Wilmington Greensboro Greenville Raleigh North Carolina
Frontier Gm1072e For Sale 16 Listings Marketbook Ca Page 1 Of 1
Pulley Spindle For Finishing Mower 4 5 6 7 Agri Agri Supply
Jolly International Corporate Website
Finishing Mowers For 3 Point Hitch By Everest Results Page 1 Edney Distributing Co Inc
Kodiak Finishing Mowers Parts Frame And Wheel Assembly 5ft Finishing Mower Parts And Diagram
Kodiak Finishing Mowers Parts Rotor And Transmission Assembly 6ft Finishing Mower Parts And Diagram
Amazon Com 2 Maschio 5 Finish Mower Belts Model Jolly 150 Part 00557022 Usa Made Patio Lawn Garden
Buhler Farm King Rotary Mowers For Sale 24 Listings Marketbook Ca Page 1 Of 1
Finish Mower Does It Make The Cut You Decide Youtube
Woods Rd6000 For Sale 3 Listings Marketbook Ca Page 1 Of 1
Replacement Tonutti Disc Mower Drive Pulley Code C30c0051 Brooksagparts
Set Of Replacement Blades For 6ft Rhino Finishing Mower
Finishing Mower Del Morino Srm
Amazon Com Xht 3 Usa Blades Maschio T14004020 6 Finishing Grooming Mowers Jolly 180 Patio Lawn Garden